Valves
600X Features
600X Solenoid Control Valvess is a kind of self-acting valve with electric-magnetic valve as pilot valve. It is used in automatic control of feeding system and industrial system and its control reaction is quick and precise. It opens or closes pipeline system according to the electric signal to reach remote control operation. It can be used in large-scale electric operation system instead of gate valve and butterfly valve. Its close speed is adjustable and it can close stably without any pressure fluctuation.
Electric-magnetic valve is of AC 220 V or DC 24V. It can be normally open or normally close according to the site condition.

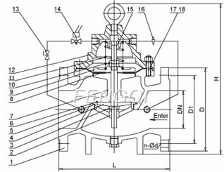
1. Small Ball Valve 2. Pilot Valve 3. Flow Controller 4. Needle Valve
J145X Features
J145X Solenoid Control Valvess is mounted on the pipeline of various supply systems, operated through an electric signal or manually to have the valves opened or closed.
a. Accurate and quick response to control.
b. An adjustable closing speed, the valve is closed stably without producing any pressure fluctuation.
c. About the solenoid valve: voltage: AC220V, DC24V, Options: explosion-proof N.O.N.C

Diaphragm actuated
1. Solenoid Pilot Valve 2. Needle Valve 3. Strainer 4. Small Ball Valve 5. Small Ball Valve

Piston actuated
1. Body 2. Needle Valve 3. Line 4. Solenoid Valve
Technical Parameters
Nominal Pressure: 1.0, 1.6, 2.5MPa
Shell test pressure: 1.5, 2.4, 3.75MPa
Sealed test pressure : 1.1, 1.76, 2.75MPa
Suitable temperature: 80
Suitable medium: water, Sewage
Materials

| Serial No. | Part | Material |
| 1 | Body | Cast Iron (GG25, HT200) / Ductile Iron (GG40, QT) |
| 2 | Seat | 2Cr13 / SS 304 / SS 316 |
| 3 | Stem | 2Cr13 / SS 304 / SS 316 |
| 4 | O-ring washer | Cast Iron / WCB |
| 5 | O-ring | NBR |
| 6 | O-ring | NBR |
| 7 | Disc | Cast Iron (GG25, HT200) / Ductile Iron (GG40, QT) |
| 8 | Diaphragm | Rubber |
| 9 | Diaphragm washer | Cast Iron |
| 10 | Nut | Bronze |
| 11 | Spring | Spring Steel |
| 12 | Cover | Cast Iron (GG25, HT200) / Ductile Iron (GG40, QT) |
| 13 | Ball valve | Bronze |
| 14 | Solenoid valve | Bronze |
| 15 | Pilot socket | Bronze |
| 16 | Needle valve | Bronze |
| 17 | Stud | Steel |
| 18 | Nut | Steel |
Dimensions
600X
| DNmm | 20 | 25 | 32 | 40 | 50 | 65 | 80 | 100 | 125 | 150 | 200 | 250 | 300 | 350 | 400 | 450 | 500 | 600 | 700 | |
| L | 180 | 180 | 180 | 203 | 203 | 235 | 280 | 360 | 400 | 455 | 585 | 650 | 800 | 860 | 915 | 980 | 1075 | 1230 | 1300 | |
| PN10 | D | 105 | 115 | 135 | 145 | 160 | 180 | 195 | 215 | 245 | 280 | 335 | 390 | 440 | 500 | 565 | 615 | 670 | 780 | 895 |
| D1 | 75 | 85 | 100 | 110 | 125 | 145 | 160 | 180 | 210 | 240 | 295 | 350 | 400 | 460 | 515 | 565 | 620 | 725 | 840 | |
| PN16 | D | 105 | 115 | 135 | 145 | 160 | 180 | 195 | 215 | 245 | 280 | 335 | 405 | 460 | 520 | 580 | 640 | 705 | 840 | 910 |
| D1 | 75 | 85 | 100 | 110 | 125 | 145 | 160 | 180 | 210 | 240 | 295 | 355 | 410 | 470 | 525 | 585 | 650 | 770 | 840 | |
| PN25 | D | 105 | 110 | 135 | 145 | 160 | 180 | 195 | 230 | 270 | 300 | 360 | 425 | 485 | 550 | 610 | 660 | 730 | 840 | 955 |
| D1 | 75 | 85 | 100 | 110 | 125 | 145 | 160 | 190 | 220 | 250 | 310 | 370 | 430 | 490 | 550 | 600 | 660 | 770 | 875 | |
| H | 342 | 342 | 342 | 395 | 395 | 405 | 430 | 510 | 560 | 585 | 675 | 730 | 760 | 840 | 910 | 1070 | 1135 | 1270 | 1460 | |
| H1 | 250 | 250 | 250 | 278 | 278 | 298 | 315 | 350 | 365 | 420 | 450 | 470 | 490 | 526 | 570 | 610 | 665 | 725 | 865 | |
Note: Either elastic seat ring sealed gate valve or butterfly valve can be selected in the schematic of installation. Recommend to select the butterfly valve in case of DN350
J145X
| DN | L | D | D1 | n-d | H | ||||||
| 1.0Mpa | 1.6 Mpa | 2.5 Mpa | 1.0Mpa | 1.6 Mpa | 2.5 Mpa | 1.0Mpa | 1.6 Mpa | 2.5 Mpa | |||
| 50 | 205 | 165 | 165 | 165 | 125 | 125 | 125 | 4-18 | 4-18 | 4-18 | 320 |
| 65 | 216 | 185 | 185 | 185 | 145 | 145 | 145 | 4-18 | 4-18 | 8-18 | 367 |
| 80 | 250 | 200 | 200 | 200 | 160 | 160 | 160 | 8-18 | 8-18 | 8-18 | 400 |
| 100 | 320 | 220 | 220 | 235 | 180 | 180 | 190 | 8-18 | 8-18 | 8-22 | 452 |
| 125 | 365 | 250 | 250 | 270 | 210 | 210 | 220 | 8-18 | 8-18 | 8-22 | 522 |
| 150 | 415 | 285 | 285 | 300 | 240 | 240 | 250 | 8-22 | 8-22 | 8-26 | 592 |
| 200 | 500 | 340 | 340 | 360 | 295 | 295 | 310 | 8-22 | 12-22 | 12-26 | 696 |
| 250 | 605 | 395 | 405 | 425 | 350 | 355 | 370 | 12-22 | 12-26 | 12-26 | 810 |
| 300 | 698 | 445 | 460 | 485 | 400 | 410 | 430 | 12-22 | 12-26 | 12-30 | 943 |
| 350 | 787 | 505 | 520 | 555 | 460 | 470 | 490 | 16-22 | 16-26 | 16-30 | 1200 |
| 400 | 914 | 565 | 580 | 620 | 515 | 525 | 550 | 16-26 | 16-30 | 16-33 | 1230 |
| 450 | 978 | 615 | 640 | 670 | 565 | 585 | 600 | 20-26 | 20-30 | 16-36 | 1230 |
| 500 | 978 | 670 | 715 | 730 | 620 | 650 | 660 | 20-26 | 20-33 | 20-36 | 1270 |
| 600 | 1150 | 780 | 840 | 845 | 725 | 770 | 770 | 20-30 | 20-36 | 20-39 | 1600 |
| 700 | 1300 | 895 | 910 | 960 | 840 | 840 | 875 | 2430 | 24-36 | 24-42 | 1750 |
| 800 | 1450 | 1015 | 1025 | 1085 | 950 | 950 | 990 | 2433 | 24-39 | 24-48 | 1900 |
Typical Installation
600X

J145X
