Valves
Feature and Application
FDF5-12 1151 5-Valve Manifolds consists of high and low pressure valve, balanced valve and two check (blow) valve.It can be installed with all kinds of transmitters. And can be checked and calibrated the instrument or blow on -line at any time. The inlet useF14 connecting tube welding installation. It can be fixed to the wall of box. The outlet connect with transmitters directly.
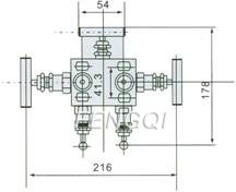
Diagram and Connecting Dimensions



Technic Date and Material
| No. | PN | DN(mm) | Applicable Temperature (℃) | Body |
| 1 | 20MPa | 5 | -20~440 | 35# |
| 2 | -70~240 | 1Cr18Ni9Ti | ||
| 3 | 40MPa | -20~440 | 35# | |
| 4 | -70~240 | 1Cr18Ni9Ti |