Valves
Feature and Application
WF1/2 5-Valve Manifold are adoptable to all kinds of gauge devices introduced from abroad, It can be installed with all kinds of different pressure, flow and float level etc transmitter . It integrate the high & low pressure valves,the balance valve, and two piece of drainage valves, the balance valve and two piece of drainage valves are shut off when the valve being operated. If we need inspect transmitter online, we just need to do is shut off the high & low pressure valves and open the balance valve and two pieces of drainage valves, then shut off the balance valve.
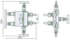
Diagram and Connecting Dimensions



Technic Date and Material
| No. | PN | DN(mm) | Applicable Temperature (℃) | Body |
| WFZ-1 | 32MPa | DN5 | -20~440 | 20# |
| WFZ-2 | 25MPa | -70~240 | 1Cr18Ni9Ti |