
產品特點
球閥是用帶有圓形通道的球體作啟閉件,球體隨閥桿轉動實現啟閉動作的閥門,其啟閉件是一個有孔的球體,繞垂直于通道的軸線旋轉,從而達到啟閉通道的目的。 球閥按結構形式可分為:浮動式、固定式、彈性式和油封式四種球閥;按通道可分為:直通式、角式和三通式等,三通式又可分為T形和L形兩種;按連接方式可分為:螺紋式連接、法蘭連接和焊接式三種。
適用范圍
城建、化工、冶金、石油、制藥、食品、飲料、環(huán)保
結構

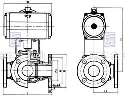
主要外形和連接尺寸
| Q648/649F-16 | |||||||||||
| 通徑DN | L | L1 | D | K | D1 | n-Φd | b | f | H | W | |
| mm | in | ||||||||||
| 25 | 1″ | 200 | 100 | 115 | 85 | 65 | 4-Φ14 | 16 | 2 | 193 | 140 |
| 32 | 1 1/4″ | 220 | 100 | 140 | 100 | 76 | 4-Φ18 | 18 | 2 | 212 | 164 |
| 40 | 1 1/2″ | 250 | 125 | 150 | 110 | 84 | 4-Φ18 | 18 | 2 | 230 | 164 |
| 50 | 2″ | 260 | 130 | 165 | 125 | 99 | 4-Φ18 | 20 | 3 | 268 | 190 |
| 65 | 2 1/2″ | 300 | 150 | 185 | 145 | 118 | 4-Φ18 | 20 | 3 | 293 | 210 |
| 80 | 3″ | 320 | 160 | 200 | 160 | 132 | 8-Φ18 | 20 | 3 | 325 | 247 |
| 100 | 4″ | 370 | 185 | 220 | 180 | 156 | 8-Φ18 | 22 | 3 | 380 | 276 |
| 125 | 5″ | 430 | 215 | 250 | 210 | 184 | 8-Φ18 | 22 | 3 | 468 | 348 |
| 150 | 6″ | 480 | 240 | 285 | 240 | 211 | 8-Φ23 | 24 | 3 | 510 | 378 |
| 200 | 8″ | 550 | 275 | 340 | 295 | 256 | 12-Φ23 | 24 | 3 | 655 | 432 |
法蘭標準:GB9113亦可按ANSI B16.5、JIS B2212
訂購注意事項:
Q648/Q649氣動三通球閥產品電子樣本所涵蓋的參數表、性能表、尺寸表、圖片、文字描述及球閥產品結構等信息,僅為球閥生產廠家上海豐企Q648/Q649氣動三通球閥說明書的一部分,供選型參考之用,詳細閥門產品說明書、CAD圖紙、安裝圖、尺寸圖、閥門重量及詳細的工作原理、價格等請來電咨詢。